Powergear Slideout Repair
The following describes how we fixed our non-working living room slide out on our 2001 SeaView.
The following is not really a “how to”, but rather a detailed description on how we fixed our Powergear slide out. So, if details aren’t your cup of tea, read a book instead.
Some background: our Living Room slide out failed to operate during the start of our 2024 Fall RV trip.
When we turned the slide out switch on our RV’s control panel, nothing happened.
Repeated attempts yielded the same results: nada.
So we were forced to manually crank the slide out in and out. A real PITA.
When we returned home after our Fall trip, we started troubleshooting . . .
CHECK FOR OBVIOUS PROBLEMS
We checked for disconnected wires. Nothing obvious.
STUDY THE SLIDE OUT WIRING SCHEMATIC
MEASURE VOLTAGES AND CONTINUITY
Checked that 12 VDC actually has +12 volts and that GND was grounded.
Since MOTOR 1 and MOTOR 2 wires only become active with 12 VDC after the slide out switch it turned, we checked for continuity on the SWITCH IN and SWITCH OUT wires.
And there was no continuity . . . both wires had somehow become disconnected.
So, the next step . . .
RUNNING NEW WIRES
Because running new wiring seemed like a better idea than trying to trace the existing wiring, we ran new wires to the slide out switch (SWITCH IN, SWITCH OUT, and +12 VDC) and new wiring to the slide out motor (MOTOR 1 and MOTOR 2).
LONG STORY SHORT: IT WORKED!
Because of cramped spaces, installing the new wiring was a multi-day task. But it ended up working again!
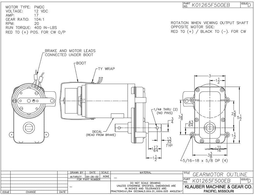
Following are a couple of drawings that might be of interest . . .
Finally, just in case you have to replace the slide out motor itself (in our case it would have been about $700), make sure you get the right motor as there are several models. For example, we checked out a less expensive motor, but ruled it out when we saw that it was only rated for 300 in-lbs of torque.



































